2001 Chevy Monte Carlo Wiring Diagram - 1995 Chevy Monte Carlo Engine Diagram Wiring Diagram System Side Image A Side Image A Ediliadesign It : 2004 chevy monte carlo ss high beam switch.?. Compatible with chevy monte carlo 2000 2001 2002 2003 2004 2005 double din stereo harness radio install dash kit package. Colour wiring diagrams help track problems quickly and easily. The connector for it is #8 so it puts it at the front drivers side of the engine if i'm looking at this diagram correctly. Found one for a 2000 monte carlo but im not shore that it matches with the wires in the car. App contains wiring diagrams specific to your vehicle.

Colour wiring diagrams help track problems quickly and easily. Buy chevrolet monte carlo parts online at partsgeek. Chevrolet wiring diagram v8 1959 electrical system 189 kb. These diagrams are easier to read once they are printed. 1237 x 900 jpeg 350 кб.

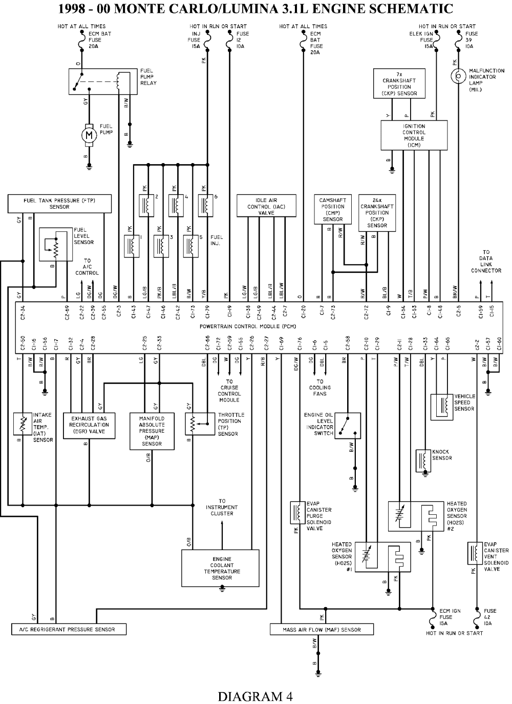
2001 Impala And Monte Carlo Wiring Diagram Original
2001 Impala And Monte Carlo Wiring Diagram Original from cfd84b34cf9dfc880d71-bd309e0dbcabe608601fc9c9c352796e.ssl.cf1.rackcdn.com
Chevrolet wiring diagram v8 1959 electrical system 189 kb. We have the following 2004 chevrolet monte carlo manuals available for free pdf download. Car stereo radio wiring harness antenna adapter for buick chevy gmc pontiac. I just need a wiring diagram for a 2001 monte carlo. Found one for a 2000 monte carlo but im not shore that it matches with the wires in the car. 1985 chevrolet monte carlo complete wiring guide. 2001, 2002, 2003 driver's side instrument panel fuse block some fuses are in a fuse block on the driver's side of the instrument panel. Monte carlo & lumina since the 1970s, the monte carlo has been an icon of american stock car racing.

The 2001 monte carlo emergency flasher relay switch and the turn signal flasher relay switch are the same.

A wide variety of monte carlo chevy options are available to you, such as model, car fitment. 1955 chevrolet car wiring diagrams 3 mb. My 2001 chevy monte carlo ls 3400 liters installing any smelly gas in the male's numbers are off completely blanked on the dashboard. Colour wiring diagrams help track problems quickly and easily. 2001 chevrolet monte carlo 01 ss. 2001 chevy no current to crank fuse. Do not hear relay close. You can get a 2001 chevy express wiring diagram at your local library. 1237 x 900 jpeg 350 кб. 2001, 2002, 2003 driver's side instrument panel fuse block some fuses are in a fuse block on the driver's side of the instrument panel. Learn more about the 2001 chevrolet monte carlo. 2003 monte carlo automobile pdf manual download. Chevrolet wiring diagram v8 1959 electrical system 189 kb.

2001 chevrolet monte carlo car audio wiring diagram. We have the following 2004 chevrolet monte carlo manuals available for free pdf download. Collection of 2004 monte carlo radio wiring diagram download. My 2001 chevy monte carlo ls 3400 liters installing any smelly gas in the male's numbers are off completely blanked on the dashboard. Learn more about the 2001 chevrolet monte carlo.

2001 Chevy Monte Carlo Radio Wiring Diagram Data Wiring Diagram Www Www Vivarelliauto It
2001 Chevy Monte Carlo Radio Wiring Diagram Data Wiring Diagram Www Www Vivarelliauto It from i0.wp.com
Chevy truck 1965 engine compartment wiring diagram 151 kb. 1237 x 900 jpeg 350 кб. I have been gathering these since 2001 from many of the manuals on this site and from people sending scans to. Round gauge pods with indicator lights. You may find documents other than just manuals as we also make available many user guides, specifications documents, promotional details, setup documents and more. 800 x 600 jpeg 126 кб. The 2001 monte carlo emergency flasher relay switch and the turn signal flasher relay switch are the same. 1985 chevrolet monte carlo complete wiring guide.

2001 chevrolet monte carlo 01 ss.

Where exactly is the ect sensor/control located on 2001 chevy monte carlo? My 2001 chevy monte carlo ls 3400 liters installing any smelly gas in the male's numbers are off completely blanked on the dashboard. App contains wiring diagrams specific to your vehicle. 800 x 600 jpeg 126 кб. 2001 monte carlo wiring diagram? About 1% of these are other auto engine parts, 0% are other auto parts, and 0% are other body parts. Compatible with chevy monte carlo 2000 2001 2002 2003 2004 2005 double din stereo harness radio install dash kit package. 2001 chevrolet monte carlo expert review. Chevrolet 2003 monte carlo owner's manual. 2001 chevrolet monte carlo 01 ss. Learn more about the 2001 chevrolet monte carlo. The connector for it is #8 so it puts it at the front drivers side of the engine if i'm looking at this diagram correctly. Colour wiring diagrams help track problems quickly and easily.

2001 chevrolet monte carlo car audio wiring diagram. Found one for a 2000 monte carlo but im not shore that it matches with the wires in the car. 2004 chevy monte carlo ss high beam switch.? 2001 monte carlo wiring diagram? About 1% of these are other auto engine parts, 0% are other auto parts, and 0% are other body parts.

88 Monte Carlo Wiring Diagram Wiring Diagram Fat Upgrade Fat Upgrade Agriturismoduemadonne It
88 Monte Carlo Wiring Diagram Wiring Diagram Fat Upgrade Fat Upgrade Agriturismoduemadonne It from txautonet.com
Check out our chevy monte carlo selection for the very best in unique or custom, handmade pieces from our clothing shops. Chevrolet 2003 monte carlo owner's manual. Chevrolet · 1 decade ago. Monte carlo & lumina since the 1970s, the monte carlo has been an icon of american stock car racing. Round gauge pods with indicator lights. Where exactly is the ect sensor/control located on 2001 chevy monte carlo? 2001 chevrolet monte carlo car audio wiring diagram. If you must drive with the trunk lid open or if electrical wiring or other cable connections must pass through the seal between the body and the trunk lid

Where exactly is the ect sensor/control located on 2001 chevy monte carlo?

2001 chevy no current to crank fuse. Alibaba.com offers 958 monte carlo chevy products. We have the following 2004 chevrolet monte carlo manuals available for free pdf download. 800 x 600 jpeg 126 кб. Chevrolet · 1 decade ago. Chevy monte carlo 2001, obdii catalytic converter by magnaflow®. Do you have the wiring diagram for asked by chevy3d ·. The 2001 monte carlo emergency flasher relay switch and the turn signal flasher relay switch are the same. Car stereo radio wiring harness antenna adapter for buick chevy gmc pontiac. Air conditioning problem 1999 chevy monte carlo 6 cyl two wheel drive automatic my a/c is blowing warm air on. 2001 chevrolet monte carlo car audio wiring diagram. 1985 chevrolet monte carlo complete wiring guide. Monte carlo & lumina since the 1970s, the monte carlo has been an icon of american stock car racing.

By