2002 Dodge Dakota Wiring Diagram : Wiring Diagram For 2002 Dodge Dakota Radio Free Picture Wiring Diagram Options Beg Zip Beg Zip Studiopyxis It / If anyone as one it would save me a ton a work.. The bolt pattern for a 2007 dodge dakota quad cab should be depicted in a diagram on the owner's manual of your vehicle. Ignition system wiring diagram (2002 4.7l dodge dakota and durango). Auto service repair manuals and wiring diagrams. Vehicle line dodge sport dodge dakota 4x4 dodge dakota 4x2. 2, pin 10 @ ctm 2.

Power door (unlock) wiring diagram for door unlock. Car radio battery constant 12v+ wire: This simplified ignition system circuit wiring diagram applies to the following vehicles: Location of evap system hose dodg. View and download dodge dakota 2002 service manual online.

Dodge Dakota Radio Wiring Diagram For 1987 1986 Chevy Blazer Wiring Diagram Toshiba Bmw1992 Warmi Fr
Dodge Dakota Radio Wiring Diagram For 1987 1986 Chevy Blazer Wiring Diagram Toshiba Bmw1992 Warmi Fr from i2.wp.com
2, pin 10 @ ctm 2. Auto service repair manuals and wiring diagrams. Can anyone please give me the wiring diagram for a 2002 dodge dakota. View and download dodge dakota 2002 service manual online. I don''t know which wire goes. Vehicle line dodge sport dodge dakota 4x4 dodge dakota 4x2. 2002 02 dodge dakota ecu/ecm/pcm save $100�s avoid going to the dealer. Your source for dodge wire information, wiring information, technical help for your new or used vehicle, dodge, technical wiring diagrams, wire information, wirediagram.

With this kit available from napa/dorman, make sure to use the proper crimping tool that.

We have 88 dodge dakota manuals covering a total of 27 these dakota manuals have been provided by our users, so we can't guarantee completeness. Can anyone please give me the wiring diagram for a 2002 dodge dakota. #crafts #diycraftseasy #diyelectronics #diyututorial hobby electronics, electronics projects, electronics components, electronics gadgets, home electrical wiring, electrical projects, electrical installation. The small plug is only for the external cd changer or rear dvd. Power door (unlock) wiring diagram for door unlock. Whatever type of dodge dakota you own, haynes have you covered with comprehensive guides that will teach you how to fully maintain and service your vehicle. We've checked the years that the manuals cover and we. Dakota 2002 automobile pdf manual download. A forum community dedicated to all dodge dakota and durango owners and enthusiasts. This simplified ignition system circuit wiring diagram applies to the following vehicles: Hi tizzy, could you send me a 2002 dodge caravan wiring diagram headlights. Ignition system wiring diagram (2002 4.7l dodge dakota and durango). 88 dodge dakota workshop, owners, service and repair manuals.

If anyone as one it would save me a ton a work. Please verify all wire colors and diagrams before applying any information. Always verify all wires, wire colors and diagrams before applying any information found here to your i am looking for a remote starter wiring diagram for a 1998 dodge dakota sport with a 3.9l v6. While trying to replace a distributor cap on a 2002 dodge dakota 3.9l engine, several spark plug wires came off of the dist. 2, pin 10 @ ctm 2.

How Does The Shift Interlock Work On A 2002 Dodge Dakota It Will Shift Out Of Park Without Foot On Brake
How Does The Shift Interlock Work On A 2002 Dodge Dakota It Will Shift Out Of Park Without Foot On Brake from www.justanswer.com
We'll ask for your vin after you order. Regular servicing and maintenance of your dodge dakota can help maintain its resale value, save you money, and make it safer to drive. It shows the components of the circuit as streamlined forms, and the power and signal links in between the tools. Vehicle wiring details for a 2002 dodge dakota pickup. Can anyone please give me the wiring diagram for a 2002 dodge dakota. Posted by anonymous on aug 12 2013. Power door (unlock) wiring diagram for door unlock. Fully plug and play 2002 dodge dakota engine computer, engine is this the right part?

Can anyone please give me the wiring diagram for a 2002 dodge dakota.

Power door (unlock) wiring diagram for door unlock. Regular servicing and maintenance of your dodge dakota can help maintain its resale value, save you money, and make it safer to drive. Auto service repair manuals and wiring diagrams. #crafts #diycraftseasy #diyelectronics #diyututorial hobby electronics, electronics projects, electronics components, electronics gadgets, home electrical wiring, electrical projects, electrical installation. 2002 dodge dakota wire 12v constant wire starter wire 12v ignition wire second 12v ignition wire 12v accessory wire second accessory wire power door lock (negative trigger through a 820 ohm resistor) power door unlock. You can save this picture file to your personal device. Vehicle wiring details for a 2002 dodge dakota pickup. Look for books about automotive repair that are specific for that vehicle. The big plugs is power and speakers. Dodge ram truck 2002 workshop manual pdf. We'll ask for your vin after you order. Wiring diagram for 2001 dakota and durango blower motor resistor. 2002 02 dodge dakota ecu/ecm/pcm save $100�s avoid going to the dealer.

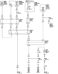
Any user assumes the entire risk as to the accuracy and use of this information. The following document is a service manual of dodge dakota 2000 including the wiring diagrams information contained in this service manual has been. Heater wiring diagram 2002 dodge dakota google search. 2002 02 dodge dakota ecu/ecm/pcm save $100�s avoid going to the dealer. Apparently i have a leak in my evap system somewhere.

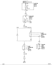
2000 Dodge Dakota Tail Light Wiring Diagram Wiring Diagram Load Connect B Load Connect B Atlanticsport It
2000 Dodge Dakota Tail Light Wiring Diagram Wiring Diagram Load Connect B Load Connect B Atlanticsport It from i.stack.imgur.com
The big plugs is power and speakers. Apparently i have a leak in my evap system somewhere. Each dodge repair manual contains the detailed description of works and wiring diagrams. Vehicle wiring details for a 2002 dodge dakota pickup. Posted by anonymous on aug 12 2013. Where can i find a diagram of a steering column for a 2002 dodge. Regular servicing and maintenance of your dodge dakota can help maintain its resale value, save you money, and make it safer to drive. With this kit available from napa/dorman, make sure to use the proper crimping tool that.

The small plug is only for the external cd changer or rear dvd.

Use of the dodge wiring diagram is at your own risk. Regular servicing and maintenance of your dodge dakota can help maintain its resale value, save you money, and make it safer to drive. Hi tizzy, could you send me a 2002 dodge caravan wiring diagram headlights. 2, pin 10 @ ctm 2. Ignition system wiring diagram (2002 4.7l dodge dakota and durango). 2002 dodge dakota 4.7l 4wd replaced diagnstic port and #16 pink b+ wire is dead. Variety of 2002 dodge dakota wiring diagram. View and download dodge dakota 2002 service manual online. We've checked the years that the manuals cover and we. Car radio battery constant 12v+ wire: Location of evap system hose dodg. Whatever type of dodge dakota you own, haynes have you covered with comprehensive guides that will teach you how to fully maintain and service your vehicle. The bolt pattern for a 2007 dodge dakota quad cab should be depicted in a diagram on the owner's manual of your vehicle.

By