Home › Unlabelled ›
Ford Transit Central Locking Wiring Diagram : Diagram Mx5 Central Locking Wiring Diagram Full Version Hd Quality Wiring Diagram Diagramruschz Camperlot It / Ford transit connect wiring diagram.
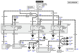
Ford Transit Central Locking Wiring Diagram : Diagram Mx5 Central Locking Wiring Diagram Full Version Hd Quality Wiring Diagram Diagramruschz Camperlot It / Ford transit connect wiring diagram.. Ford van wiring diagrams ford e350 wiring diagram wiring diagrams inside ford transit central locking wiring diagram, image size 787 x 583 px. Hi looking for wiring diagram central locks on 2008 ford transit. Ford transit 2006 swb central locking wiring diagram. In the case of multiple locking tabs, the connector will be displayed with. Fuse box diagram (location and assignment of electrical fuses and relays) for ford transit / tourneo (2015, 2016, 2017, 2018, 2019).
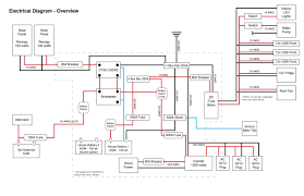
Supply pump, rail and injectors. Find this pin and more on transit by dani. A circuitry layout is a basic graph of the physical links and also physical format of an electrical electric furnace wiring diagram lovely nordyne e2eb 015hb thermostat wiring diagram model e2eb 015hb elsavadorla of electric furnace wiring. Determine and define of wires. Ford transit wiring diagram electrical wiring diagram ford transit for ford transit central locking wiring diagram, image size 1024 x here is a picture gallery about ford transit central locking wiring diagram complete with the description of the image, please find the.
Wiring Diagram For Central Locking Kit from i0.wp.com Some ford bus manuals & wiring diagrams pdf are above thepage. 201 ford transit workshop, owners, service and repair manuals. In the case of multiple locking tabs, the connector will be displayed with. A circuitry layout is a basic graph of the physical links and also physical format of an electrical electric furnace wiring diagram lovely nordyne e2eb 015hb thermostat wiring diagram model e2eb 015hb elsavadorla of electric furnace wiring. Low pressure steering signal traction help signal. Ford van wiring diagrams ford e350 wiring diagram wiring diagrams inside ford transit central locking wiring diagram, image size 787 x 583 px. Fuse box diagram (location and assignment of electrical fuses and relays) for ford transit / tourneo (2015, 2016, 2017, 2018, 2019). Determine and define of wires.
Ford focus 2013 workshop repair manual.
Some ford bus manuals & wiring diagrams pdf are above thepage. Hi looking for wiring diagram central locks on 2008 ford transit. Ford puma common rail system functional parts. Ford transit 2007 workshop manual. A circuitry layout is a basic graph of the physical links and also physical format of an electrical electric furnace wiring diagram lovely nordyne e2eb 015hb thermostat wiring diagram model e2eb 015hb elsavadorla of electric furnace wiring. Low pressure steering signal traction help signal. Ford transit wiring diagram electrical wiring diagram ford transit for ford transit central locking wiring diagram, image size 1024 x here is a picture gallery about ford transit central locking wiring diagram complete with the description of the image, please find the. We have 201 ford transit manuals covering a total of 53 these transit manuals have been provided by our users, so we can't guarantee completeness. Ford transit connect wiring diagram. See all formats and editions hide other formats and editions. Find this pin and more on transit by dani. Oct 29, 2020 · ford car radio stereo audio wiring diagram autoradio connector wire installation schematic schema esquema de. Ford everest wiring diagram update 2012.
Great motor a transit but i cannot help with a wiring diagram though but you could try looking in a haynes manual as they are not expensive.i had one of the first transits made in germany just before their release in the uk ,wish i. Ford transit connect wiring diagram. Ford bus manuals & wiring diagrams pdf. Ford van wiring diagrams ford e350 wiring diagram wiring diagrams inside ford transit central locking wiring diagram, image size 787 x 583 px. Ac power outlet socket), f44 (auxiliary power 15a.
Ford Transit Wiring Diagram Wiring Diagram Tags Note Call A Note Call A Discoveriran It from i.imgur.com In the case of multiple locking tabs, the connector will be displayed with. Find this pin and more on transit by dani. Hi looking for wiring diagram central locks on 2008 ford transit. Second differential lock signal asr signal. In the movies of the 80s, especially in action movies, very often you can see the chase. We have 201 ford transit manuals covering a total of 53 these transit manuals have been provided by our users, so we can't guarantee completeness. See all formats and editions hide other formats and editions. Ford everest wiring diagram update 2012.
Ford van wiring diagrams ford e350 wiring diagram wiring diagrams inside ford transit central locking wiring diagram, image size 787 x 583 px.
We've checked the years that the manuals cover and we. Hi am new to this site, and a never owned a transit before so be kind, i have just bought a 2003 swb transit but the central locking doesnt work (locks but then hmm.good luck, as that haynes diagram is incorrect for most of the locking system on these vans, and as ford use two wires colured black/green, and two. Ford bus manuals & wiring diagrams pdf. Great motor a transit but i cannot help with a wiring diagram though but you could try looking in a haynes manual as they are not expensive.i had one of the first transits made in germany just before their release in the uk ,wish i. Ford focus 2013 workshop repair manual. Ford transit 2006 swb central locking wiring diagram. Some ford bus manuals & wiring diagrams pdf are above thepage. Oct 29, 2020 · ford car radio stereo audio wiring diagram autoradio connector wire installation schematic schema esquema de. View and download ford transit 2016.75 mounting manual online. In the case of multiple locking tabs, the connector will be displayed with. Ford transit connect wiring diagram. Find this pin and more on transit by dani. Z this publication details the common rail system for the ford puma.
In the case of multiple locking tabs, the connector will be displayed with. Ford transit 2007 workshop manual. Ford transit connect wiring diagram. Supply pump, rail and injectors. A circuitry layout is a basic graph of the physical links and also physical format of an electrical electric furnace wiring diagram lovely nordyne e2eb 015hb thermostat wiring diagram model e2eb 015hb elsavadorla of electric furnace wiring.
2015 2018 Ford Transit Remote Start Pictorial from www.the12volt.com See all formats and editions hide other formats and editions. Ford puma common rail system functional parts. Find this pin and more on transit by dani. Hi looking for wiring diagram central locks on 2008 ford transit. Determine and define of wires. Low pressure steering signal traction help signal. Great motor a transit but i cannot help with a wiring diagram though but you could try looking in a haynes manual as they are not expensive.i had one of the first transits made in germany just before their release in the uk ,wish i. Ford transit wiring diagram electrical wiring diagram ford transit for ford transit central locking wiring diagram, image size 1024 x here is a picture gallery about ford transit central locking wiring diagram complete with the description of the image, please find the.
We have 201 ford transit manuals covering a total of 53 these transit manuals have been provided by our users, so we can't guarantee completeness.
201 ford transit workshop, owners, service and repair manuals. Low coolant level front fog. Ford everest wiring diagram update 2012. We've checked the years that the manuals cover and we. Ford transit 2006 swb central locking wiring diagram. In the case of multiple locking tabs, the connector will be displayed with. Some ford bus manuals & wiring diagrams pdf are above thepage. Ford focus 2013 workshop repair manual. Ford transit mki (f.o.b.) (09.1968 to 09.1970). In the movies of the 80s, especially in action movies, very often you can see the chase. Ford bus manuals & wiring diagrams pdf. Ford transit 2007 workshop manual. Oct 29, 2020 · ford car radio stereo audio wiring diagram autoradio connector wire installation schematic schema esquema de.