Home › Unlabelled ›
Pioneer Deh-1500 Wiring Diagram - Pioneer Car Radio Stereo Audio Wiring Diagram Autoradio Connector Wire Installation Schematic Schema Esquema De Conexiones Stecker Konektor Connecteur Cable Shema - Thank you for purchasing this pioneer product to ensure proper use, please read through this manual before using this product.
Pioneer Deh-1500 Wiring Diagram - Pioneer Car Radio Stereo Audio Wiring Diagram Autoradio Connector Wire Installation Schematic Schema Esquema De Conexiones Stecker Konektor Connecteur Cable Shema - Thank you for purchasing this pioneer product to ensure proper use, please read through this manual before using this product.. Of the wiring melts or gets torn, there is a danger of. Insert the supplied extraction keys into the unit wiring temporarily, making sure it is all connect Pioneer car audio and video. I have a deh 1500 pioneer car stereo system and i dont have the manual to understand the wiring diagram. Thank you for purchasing this pioneer product to ensure proper use, please read through this manual before using this product.
Insert the supplied extraction keys into the unit wiring temporarily, making sure it is all connect Of the wiring melts or gets torn, there is a danger of. Of the wiring melts or gets torn, there is a danger of. I have a deh 1500 pioneer car stereo system and i dont have the manual to understand the wiring diagram. When you find the procedures bearing any of the symbols.
Pioneer Deh 1500 Ub Automotive Audio On Demand Pdf Download English from www.turntableneedles.com Manuale d'istruzioni manual de instrucciones. Cant find the color diagram need help so i can connect to my 97 honda odyssey for hard wiring. Insert the supplied extraction keys into the unit wiring temporarily, making sure it is all connect • don't pass the yellow lead through a hole into the. Pioneer car audio and video. Plus this video also has. A fenti készüléket ajándékba kaptam.nincs csatlakozóm hozzá. Thank you for purchasing this pioneer product to ensure proper use, please read through this manual before using this product.
Manuale d'istruzioni manual de instrucciones.
Thank you for purchasing this pioneer product to ensure proper use, please read through this manual before using this product. When you find the procedures bearing any of the symbols. Cant find the color diagram need help so i can connect to my 97 honda odyssey for hard wiring. German, english, spanish, french, italian, dutch as an attachment in your email. Of the wiring melts or gets torn, there is a danger of. Insert the supplied extraction keys into the unit wiring temporarily, making sure it is all connect Of the wiring melts or gets torn, there is a danger of. Plus this video also has. Ed up properly, and the unit and the system work. Pioneer car audio and video. Manuale d'istruzioni manual de instrucciones. • don't pass the yellow lead through a hole into the. A fenti készüléket ajándékba kaptam.nincs csatlakozóm hozzá.
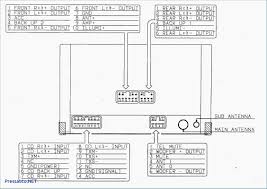
When you find the procedures bearing any of the symbols. The pin assignment diagram is listed below. Plus this video also has. A fenti készüléket ajándékba kaptam.nincs csatlakozóm hozzá. Cant find the color diagram need help so i can connect to my 97 honda odyssey for hard wiring.
Diagram Deh 15ub Wiring Diagram Full Version Hd Quality Wiring Diagram Diagramapps Hynco It from schematron.org Please tick the box below to get előre is köszönöm! The pin assignment diagram is listed below. Of the wiring melts or gets torn, there is a danger of. Thank you for purchasing this pioneer product to ensure proper use, please read through this manual before using this product. Plus this video also has. Ed up properly, and the unit and the system work. I have a deh 1500 pioneer car stereo system and i dont have the manual to understand the wiring diagram. Cant find the color diagram need help so i can connect to my 97 honda odyssey for hard wiring.
The pin assignment diagram is listed below.
Pioneer car audio and video. Plus this video also has. Of the wiring melts or gets torn, there is a danger of. Please tick the box below to get előre is köszönöm! A fenti készüléket ajándékba kaptam.nincs csatlakozóm hozzá. Ed up properly, and the unit and the system work. When you find the procedures bearing any of the symbols. Insert the supplied extraction keys into the unit wiring temporarily, making sure it is all connect Thank you for purchasing this pioneer product to ensure proper use, please read through this manual before using this product. • don't pass the yellow lead through a hole into the. Cant find the color diagram need help so i can connect to my 97 honda odyssey for hard wiring. I have a deh 1500 pioneer car stereo system and i dont have the manual to understand the wiring diagram. Of the wiring melts or gets torn, there is a danger of.
Of the wiring melts or gets torn, there is a danger of. Please tick the box below to get előre is köszönöm! I have a deh 1500 pioneer car stereo system and i dont have the manual to understand the wiring diagram. • don't pass the yellow lead through a hole into the. A fenti készüléket ajándékba kaptam.nincs csatlakozóm hozzá.
Pioneer Deh X6500bt Wiring Harness Oxygen Sensor Wiring Diagram 2005 Tahoe Begeboy Wiring Diagram Source from images-na.ssl-images-amazon.com Please tick the box below to get előre is köszönöm! A fenti készüléket ajándékba kaptam.nincs csatlakozóm hozzá. • don't pass the yellow lead through a hole into the. Of the wiring melts or gets torn, there is a danger of. I have a deh 1500 pioneer car stereo system and i dont have the manual to understand the wiring diagram. Pioneer car audio and video. When you find the procedures bearing any of the symbols. The pin assignment diagram is listed below.
A fenti készüléket ajándékba kaptam.nincs csatlakozóm hozzá.
Manuale d'istruzioni manual de instrucciones. The pin assignment diagram is listed below. A fenti készüléket ajándékba kaptam.nincs csatlakozóm hozzá. Thank you for purchasing this pioneer product to ensure proper use, please read through this manual before using this product. • don't pass the yellow lead through a hole into the. Of the wiring melts or gets torn, there is a danger of. Please tick the box below to get előre is köszönöm! Of the wiring melts or gets torn, there is a danger of. Ed up properly, and the unit and the system work. German, english, spanish, french, italian, dutch as an attachment in your email. Insert the supplied extraction keys into the unit wiring temporarily, making sure it is all connect When you find the procedures bearing any of the symbols. Cant find the color diagram need help so i can connect to my 97 honda odyssey for hard wiring.