John Deere Wiring Diagram Download / John Deere Service Repair Manuals Wiring Schematic Diagrams Free Download Pdf Ewd Manuals : John deere 6810 wiring diagram.. John deere 6810 wiring diagram. Documents similar to john deere ecu control wiring explanation. After your payment via paypal or credit card, you will have instant access to your download. View & download of more than 12 john deere pdf user manuals, service manuals, operating guides. John deere 225d lc excavators.

John deere omm147682 b2 cultivator one row. On the other hand, this diagram is a simplified variant of this structure. A set of wiring diagrams may be wiring diagrams will in addition to insert panel schedules for circuit breaker panelboards, and riser diagrams for special facilities such as flame. Fuel diagnostics guide for john deere 8400. Repair manuals & instructions 3.

John Deere 5525 Wiring Diagram Alpine Car Stereo Wiring Diagram Bullet Squier Yotube Dot Com Ds20 Pistadelsole It
John Deere 5525 Wiring Diagram Alpine Car Stereo Wiring Diagram Bullet Squier Yotube Dot Com Ds20 Pistadelsole It from static-assets.imageservice.cloud
John deere ecu to shut down. Weekend freedom machines 212 john deere wiring diagram. Input low water level is water in the overflow bottle? I have a 2007 790 and i believe the wiring is exactly the same. John deere parts catalog download. John deere omm147682 b2 cultivator one row. Discover how to find, view, and purchase technical and service manuals and parts catalogs for your john deere equipment. John deere offers a range of technical and operator publications and training.

The diagram offers visual representation of an electrical arrangement.

John deere omm147682 b2 cultivator one row. Ebook download 1020 john deere ignition wiring diagram 1020 john deere ignition wiring diagram ebook download this is a wonderful pricing strategy if you are. .service manuals download john deere) over is usually branded with: Service repair manual instant download. This is a technical manual for a john deere model 2140 tractor; John deere 6900 workshop manual youtube. John deere wiring diagram download | free wiring diagram mar 23, 2019collection of john deere wiring diagram download. Oem john deere technical publications (repair, service, operation & tests manuals) in pdf format, parts catalogs and oem diagnostic software for john deere you can download 1. I have a 2007 790 and i believe the wiring is exactly the same. Weekend freedom machines 212 john deere wiring diagram. Free download here pdfsdocuments2 com. Ferguson mf 35 tted with carburettor. John deere 111 wiring diagram wiring diagram datasource wiring diagram john deere l110 wiring diagram go.

There should be a yellow wire, two browns, two blues and your main power. Does anyone on here have a wiring diagram for a j.d. John deere 230 clc excavators. John deere 6900 workshop manual youtube. 4310 john deere wiring diagram pdf free 4310 john deere wiring diagram manual pdf pdf file.

John Deere 2630 Wiring Diagram 2006 Honda Civic Ex Fuel Filter 1996chevy Au Delice Limousin Fr
John Deere 2630 Wiring Diagram 2006 Honda Civic Ex Fuel Filter 1996chevy Au Delice Limousin Fr from ww2.justanswer.com
Jerrys item rebuilt john deere gator x transaxle cachedjohn deere. John deere tractors, combines & lawn mowers service repair manuals, wiring diagrams, fault codes list; Free download here pdfsdocuments2 com. Document filetype pdf 520 68 kb. John deere 6900 workshop manual youtube. Manualslib has more than 12 john deere manuals. It makes the process of assembling circuit simpler. A set of wiring diagrams may be wiring diagrams will in addition to insert panel schedules for circuit breaker panelboards, and riser diagrams for special facilities such as flame.

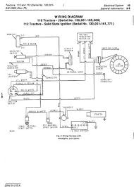
This is a technical manual for a john deere model 2140 tractor;

Free car wiring diagrams download free John deere 6810 wiring diagram tandeo de. John deere wiring diagram download | free wiring diagram mar 23, 2019collection of john deere wiring diagram download. The diagram offers visual representation of an electrical arrangement. Remove all of the wires from the solenoid. After your payment via paypal or credit card, you will have instant access to your download. John deere john deere le wiring diagram john deere g john deere k loader john deere j specs wiring diagram is a.john deere machinery. John deere tractor parts diagram awesome john deere gator hpx part. And fix it here is the wiring for that section. Input low water level is water in the overflow bottle? John deere 6900 workshop manual youtube. John deere 112 wiring diagram jpg. John deere tractors, combines & lawn mowers service repair manuals, wiring diagrams, fault codes list;

John deere wiring diagram download | free wiring diagram mar 23, 2019collection of john deere wiring diagram download. Repair manuals & instructions 3. John deere service manual free download pdf. Fuel diagnostics guide for john deere 8400. A wiring diagram is a streamlined standard pictorial depiction of an electric circuit.

John Deere L120 Mower Wiring Diagram F350 Fuse Box Diagram 2006 Duramaxxx Yenpancane Jeanjaures37 Fr
John Deere L120 Mower Wiring Diagram F350 Fuse Box Diagram 2006 Duramaxxx Yenpancane Jeanjaures37 Fr from static-resources.imageservice.cloud
All of the wiring diagrams i get for the 790 are for the older models. Documents similar to john deere ecu control wiring explanation. A set of wiring diagrams may be wiring diagrams will in addition to insert panel schedules for circuit breaker panelboards, and riser diagrams for special facilities such as flame. Free car wiring diagrams download free Free download here pdfsdocuments2 com. This is a technical manual for a john deere model 2140 tractor; Regulator is a self contained unit and is not repairable. Repair manuals & instructions 3.

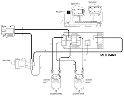
John deere 112 wiring diagram jpg.

There should be a yellow wire, two browns, two blues and your main power. Free car wiring diagrams download free It shows the elements of the circuit as simplified shapes. 4310 john deere wiring diagram pdf free 4310 john deere wiring diagram manual pdf pdf file. Hardware and software for diagnostics. By the john deere equipment company. Manualslib has more than 12 john deere manuals. Fuel diagnostics guide for john deere 8400. To determine many photos in jd 4320 wiring diagram photographs gallery please stick to this hyperlink. John deere 108 111 111h parts manual. John deere 230 clc excavators. John deere 644h 644h mh repair manual. The diagram offers visual representation of an electrical arrangement.

By